Fulltextové vyhledávání:

Kontaktní informace:

provozovatel e-shopu

Albion alarm s.r.o.
Havlíčkovo nábřeží 1167
Ostrava, 702 00

Mobil: (+420) 608 738 361
Tel.: (+420) 596 126 757
E-mail: albion (zavináč) albionalarm.cz

Další informace:

  • Košík
  • Informace
  • Nejčastější dotazy-FAQ
  • Záruční servis
  • Kontaktujte nás
  • Hlavní stránka


Služby:

  • Ke stažení
  • Manuály

RACK-PROTECTOR-X8-1U-5 19" napájecí panel, 1U, 8 x 230 V, přepěťová ochrana

Název: RACK-PROTECTOR-X8-1U-5 19" napájecí panel, 1U, 8 x 230 V, přepěťová ochrana
Kód produktu:2405-147
PartNO:RACK-PROTECTOR-X8-1U-5
EAN:8595090570097
Výrobce:Saltek
Dostupnost:Pro aktuální množství skladem volejte

Základní informace

Základní informace

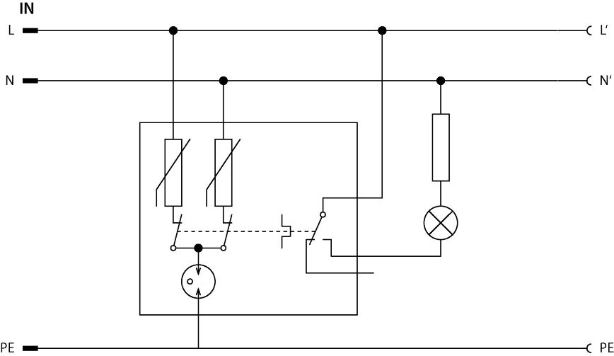
Vícenásobná zásuvka s integrovanou přepěťovou ochranou SPD typu 3, pro montáž do 19" racků, optická signalizace poruchy, přívodní kabel 5m, vidlice CEE 7/7, k ochraně informačních technologií před pulsním přepětím.

Další fotografie

Další fotografie

Parametry výrobku

Parametry výrobku

Zástrčka

typ E/F

Reziduální proud

0,004 mA

Jmenovitý zkratový proud

6,0 kA

Barva

černá

Nejvyšší trvalé provozní napětí

275 V AC

Jmenovitý zatěžovací proud při 25°C

16 A

Typ SPD

T3

Montáž

19" stojan

Typ příslušenství

napájecí panel s přepěťovou ochranou

Způsob montáže

19", přední lišta

Délka přívodního kabelu

500 cm

Zatížení

16 A max.

Počet zásuvek

8

Přepěťová ochrana

ano

Stupeň krytí

IP 40

Jmenovité napětí

230 V AC

Výška do racku U

1U

Zásuvky

typ E

Jmenovitý výbojový proud (8/20 µs) N-PE

3,00 kA

Zkušební napětí L-N

6,00 kV

Zkušební napětí L+N-PE

10,00 kV

Zkušební napětí N-PE

6,00 kV

Napěťová ochranná hladina mód L-N

1,20 kV

Napěťová ochranná hladina mód L-PE

1,50 kV

Napěťová ochranná hladina mód N-PE

1,50 kV

Doba odezvy L-N

25 ns

Doba odezvy N-PE

100 ns

Signalizace poruchy

červená kontrolka

Jmenovitý výbojový proud (8/20 µs) L+N-PE

5,00 kA

Jmenovitý výbojový proud (8/20 µs) L-N

3,00 kA

Typ sítě

TN

Maximální předjištění

16 A gL/gG nebo C 16 A

Doplňující informace

Doplňující informace

Vícenásobná zásuvka s integrovanou přepěťovou ochranou SPD typu 3, pro montáž do 19" racků, optická signalizace poruchy, přívodní kabel 5m, vidlice CEE 7/7, k ochraně informačních technologií před pulsním přepětím.

Výrobce

Výrobce

Vše k produktu

Vše k produktu

 

Komentáře k výrobku

Komentáře k výrobku

Vkládání komentářů je povoleno pouze registrovaným a přihlášeným uživatelům.
 

Zadejte své přihlašovací údaje: