Fulltextové vyhledávání:

Kontaktní informace:

provozovatel e-shopu

Albion alarm s.r.o.
Havlíčkovo nábřeží 1167
Ostrava, 702 00

Mobil: (+420) 608 738 361
Tel.: (+420) 596 126 757
E-mail: albion (zavináč) albionalarm.cz

Další informace:

  • Košík
  • Informace
  • Nejčastější dotazy-FAQ
  • Záruční servis
  • Kontaktujte nás
  • Hlavní stránka


Služby:

  • Ke stažení
  • Manuály

DA-275-DFi16 přepěťová ochrana s vf filtrem

Název: DA-275-DFi16 přepěťová ochrana s vf filtrem
Kód produktu:2405-026
PartNO:DA-275-DFi16
EAN:8595090557258
Výrobce:Saltek
Dostupnost:Pro aktuální množství skladem volejte

Základní informace

Základní informace

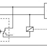
Přepěťová ochrana s vf filtrem, instalace do rozvodů NN těsně před chráněné zařízení, 230 V/16 A, signalizace poruchy přerušením napájení a optická signalizace poruchy, k ochraně napájení řídicích systémů MaR, EZS, EPS apod. proti pulsnímu přepětí a vf rušení, priorita ochrany.

Další fotografie

Další fotografie

Parametry výrobku

Parametry výrobku

TOV 5 s L-N

335 V

TOV charakteristika (TOV 5 s)

výdržná

TOV 120 min L-N

440 V

TOV charakteristika (120 min)

výdržná

TOV 200 ms L-PE

1200 V

TOV 200 ms N-PE

1455 V

TOV charakteristika (TOV 200 ms)

bezpečně poruchová

TOV 5 s L-PE

440 V

TOV 120 min L-PE

335 V

Jmenovitý zkratový proud

6,0 kA

Nejvyšší trvalé provozní napětí

275 V AC

Jmenovitý zatěžovací proud při 25°C

16 A

Typ SPD

T3

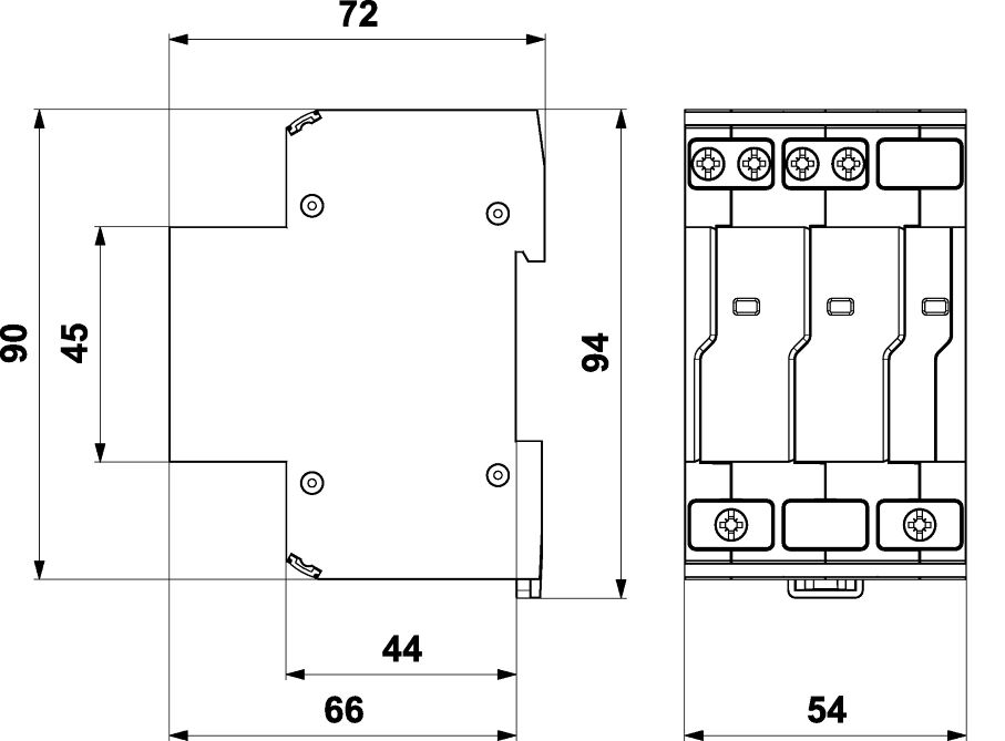
Montáž

lišta DIN 35

Stupeň krytí

IP 20

Jmenovité napětí

230 V AC

Jmenovitý výbojový proud (8/20 µs) N-PE

3,00 kA

Zkušební napětí L-N

6,0 kV

Zkušební napětí L+N-PE

10,0 kV

Zkušební napětí N-PE

6,0 kV

Napěťová ochranná hladina mód L-N

1,20 kV

Napěťová ochranná hladina mód L-PE

1,50 kV

Napěťová ochranná hladina mód N-PE

1,50 kV

Doba odezvy L-N

25 ns

Doba odezvy N-PE

100 ns

Signalizace poruchy

červená kontrolka, přerušení napájení

Jmenovitý výbojový proud (8/20 µs) L+N-PE

5,00 kA

Jmenovitý výbojový proud (8/20 µs) L-N

3,00 kA

Připojení (vstup - výstup)

svorky - svorky

Průřez připojovaných vodičů pevný (max)

6,00 mm2

Průřez připojovaných vodičů slaněný (max)

6,00 mm2

Typ sítě

TN

Maximální předjištění

16 A gL/gG nebo C 16 A

Útlum filtru při 1MHz nesymetrický (50 Ω/50 Ω)

30 dB

Doplňující informace

Doplňující informace

Přepěťová ochrana s vf filtrem, instalace do rozvodů NN těsně před chráněné zařízení, 230 V/16 A, signalizace poruchy přerušením napájení a optická signalizace poruchy, k ochraně napájení řídicích systémů MaR, EZS, EPS apod. proti pulsnímu přepětí a vf rušení, priorita ochrany.

Výrobce

Výrobce

Vše k produktu

Vše k produktu

 

Komentáře k výrobku

Komentáře k výrobku

Vkládání komentářů je povoleno pouze registrovaným a přihlášeným uživatelům.
 

Zadejte své přihlašovací údaje: